다양한 종류와 사양을 갖추어, 사용 환경에 최적화된 제품을 제공합니다.
| 항목 | 단위 | 풍량 | |
|---|---|---|---|
| 열교환소재 | 특수제지 | ||
| 기외정압 | mmAq | 10 | |
| 풍량 | CMH | 150 | |
| 소비전력 | 냉방 | W | 54 |
| 난방 | W | 56 | |
| 에너지계수 | 냉방 | % | 9.13 |
| 난방 | % | 16.74 | |
| 전열교환율 | 냉방 | % | 53 |
| 난방 | % | 72 | |
| 온도교환율 | 냉방 | % | 76 |
| 난방 | % | 77 | |
| 접속 구경 | Φ | 125 | |
| 제품크기 | mm | 535 × 595 × 230 |
| 항목 | 단위 | 풍량 | |
|---|---|---|---|
| 열교환소재 | 특수제지 | ||
| 기외정압 | mmAq | 10 | |
| 풍량 | CMH | 250 | |
| 소비전력 | 냉방 | W | 87 |
| 난방 | W | 91 | |
| 에너지계수 | 냉방 | % | 9.65 |
| 난방 | % | 19.30 | |
| 전열교환율 | 냉방 | % | 46 |
| 난방 | % | 71 | |
| 온도교환율 | 냉방 | % | 69 |
| 난방 | % | 73 | |
| 접속 구경 | Φ | 125 | |
| 제품크기 | mm | 600 × 595 × 260 |
| 항목 | 단위 | 풍량 | |
|---|---|---|---|
| 열교환소재 | 특수제지 | ||
| 기외정압 | mmAq | 10 | |
| 풍량 | CMH | 350 | |
| 소비전력 | 냉방 | W | 139 |
| 난방 | W | 144 | |
| 에너지계수 | 냉방 | % | 8.48 |
| 난방 | % | 16.66 | |
| 전열교환율 | 냉방 | % | 45 |
| 난방 | % | 70 | |
| 온도교환율 | 냉방 | % | 70 |
| 난방 | % | 75 | |
| 접속 구경 | Φ | 150 | |
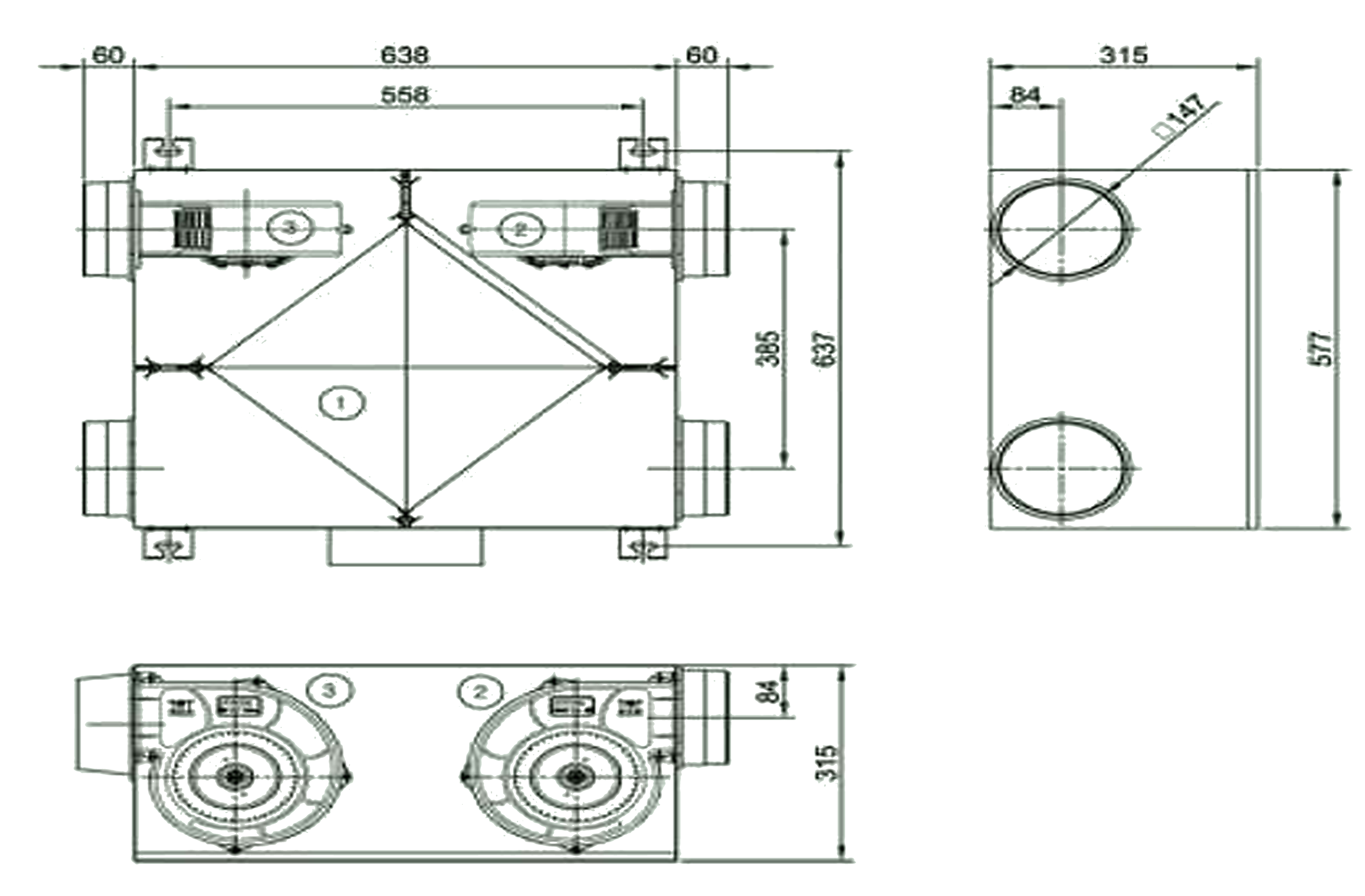
| 제품크기 | mm | 577 × 638 × 315 |
| 항목 | 단위 | 풍량 | |
|---|---|---|---|
| 열교환소재 | 특수제지 | ||
| 기외정압 | mmAq | 10 | |
| 풍량 | CMH | 500 | |
| 소비전력 | 냉방 | W | 195 |
| 난방 | W | 201 | |
| 에너지계수 | 냉방 | % | 8.90 |
| 난방 | % | 18.79 | |
| 전열교환율 | 냉방 | % | 47 |
| 난방 | % | 78 | |
| 온도교환율 | 냉방 | % | 72 |
| 난방 | % | 80 | |
| 접속 구경 | Φ | 200 | |
| 제품크기 | mm | 600 × 883 × 472 |
| 항목 | 단위 | 풍량 | |
|---|---|---|---|
| 열교환소재 | 특수제지 | ||
| 기외정압 | mmAq | 10 | |
| 풍량 | CMH | 800 | |
| 소비전력 | 냉방 | W | 346 |
| 난방 | W | 354 | |
| 에너지계수 | 냉방 | % | 8.80 |
| 난방 | % | 15.52 | |
| 전열교환율 | 냉방 | % | 47 |
| 난방 | % | 78 | |
| 온도교환율 | 냉방 | % | 69 |
| 난방 | % | 79 | |
| 접속 구경 | Φ | 250 | |
| 제품크기 | mm | 980 × 1030 × 555 |
| 항목 | 단위 | 풍량 | |
|---|---|---|---|
| 열교환소재 | 특수제지 | ||
| 기외정압 | mmAq | 10 | |
| 풍량 | CMH | 1000 | |
| 소비전력 | 냉방 | W | 354 |
| 난방 | W | 363 | |
| 에너지계수 | 냉방 | % | 9.90 |
| 난방 | % | 18.42 | |
| 전열교환율 | 냉방 | % | 48 |
| 난방 | % | 70 | |
| 온도교환율 | 냉방 | % | 67 |
| 난방 | % | 77 | |
| 접속 구경 | Φ | 250 | |
| 제품크기 | mm | 980 × 1030 × 555 |